12V Netzteil 12V 1500W 125A Case Schaltnetzteil Industrie Ausführung
 
                                                458,00 €
% 549,00 € (16.58% gespart)
Sofort verfügbar, Lieferzeit: 2-4 Tage
Produktinformationen "12V Netzteil 12V 1500W 125A Case Schaltnetzteil Industrie Ausführung"
12V 125A Netzteil 12V stabilisierte Gleichspannung nachstellbar von 10...13,5V
Solides Netzteil in Case Ausführung für den Universellen Einsatz im Maschinenbau, Industrie, Beleuchtungstechnik, Schaltanlagen im Prinzip für alle Art von Baugruppen und Schaltungen die 12V Gleichspannung benötigen
Besonderheit:
- Hochleistungs Netzteil  
- Fernsteuerbar (Remote ON/OFF)
- EMI Entstörfilter 
- Kleine Bauform trotz 1500W Leistung 
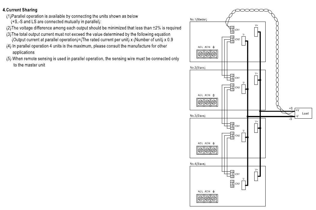
- Parallel Funktion für Leistungserhöhung mit weiteren Netzteilen   
Technische Daten:
- Spannung 230VAC typisch
- Eingangsspannungsbereich: 90..264Vac oder 120V..370Vdc
- Netzfrequenz Eingang bei AC 47...63Hz
- Schraubanschlüsse 1x Schiene für (+)Plus / 1x schiene für (-)Minus
- Schraubanschlüsse 3x Input PE / L / N 
- Steckkontakt für Steuerfunktionen: Remote On/Off, Brückenbetrieb..
- Belastbarkeit bzw. Leistung: 1500 Watt 
- Ausgangsspannnung: 12V stabiliserte Gleichspannung 
- Ausgangsspannung über Poti nachstellbar ( 10V...11V...12V...12,5V...bis 13,5V stufenlos )
- Restwelligkeit nur 150mV 
- Belastbarkeit Ausgang 0...125A 
- Kurzschlussfest mit Restart Funktion 
- Setup-Time: 1500mS 
- Rise Time: 100ms (230Vac)
- Hold up time: 10ms (230Vac)
-  Überlastschutz 105-135% ratet output Power 
-  Überspannungschutz 115-135% (13,8-16,8V) 
- Soft-Start mit Strombegrenzung
- Eingebauter Entstörfilter 
- Effektivität: 87% 
-  100% Burn-In Test unter Vollast 
- Temperatur Einsatzbereich: -20°...+70°C
- Abmessungen: T bzw. L:278mm H:129mm B:127mm
- Anschluss über Schraubklemmen
- Orginale Winkel von Herstellerseite gibt es nicht; es muß immer ein Standad L-Metallwinkel etwas angepasst werden
- Am Boden und seitlich befinden sich M4 Innengwinde wo das Netzteil befestigt werden kann ( max Tiefe 5,0mm )
- Befestigung z.B. M4 Schraubem mit max 5mm tiefe und Std. L-Winkel ebenso möglich ( siehe Zeichnung weitere Bilder )
- Befestigung mit optionalem Hutschienenclip möglich muß leider auch angepasst werden ( siehe Zubehör-Register )
- Abmessungen: T:278mm H:84mm B:127mm
- Gewicht: 2,75kg
Optional ist noch zusätzlich erhältlich zur Befestigung ( fals Sie das benötigen wäre unsere Empfehlung wie folgt )
- Bst Nr.: 93-808-03210 = DIN Befestigungstreifen 140x20mm zu MW SNT ( muß ein Loch nachgebohrt werden )
- Bst Nr.: 93-808-03250 = 175mm DIN Schienen Hutschienenclip ( muß jedoch 2x Loch nachgebort werden )
- Optional ist noch zusätzlich erhältlich Anschlußkabel
- Bst Nr .: 42-772-01230 = 35qmm Kabelsatz - Rot + Schwarz jeweils 1m lang mit mit Ringschuhen
- Bst Nr .: 42-772-01200 = 35qmm Kabelsatz - Rot + Schwarz jeweils 2m lang mit mit Ringschuhen
- Alternativen je nach Projekt und Einsatz
- Bst Nr : 42-772-00760 = 25qmm Kabel Schwarz ( für Minus 24V ) Meterware ohne Ringschuhe
- Bst Nr : 42-772-00750 = 25qmm Kabel Rot ( für Plus 24V ) Meterware ohne Ringschuhe
- Bst Nr.: 31-843-00045 = Sicherungshalter 2-fach für AGU Fuse vergoldet zum anschrauben 103x47x32mm
- Bst Nr.: 31-842-00470 = 70A AGU-Fuse vergoldet
- Bst Nr.: 39-400-00200 = Sicherungshalter 1-fach.MEGA Fuse Sicherungen M8 mit Deckel bis 400A
Optional ist noch zusätzlich erhältlich zu diesem Netzteil ( Nicht zwinden nötig - nur für Remote und Steuer Anwendung )
- Bst Nr : 40-874-00390 = Adapterkabel 8pol Pfostenkabel CN1 CN2 für Regelung oder Remote ON/OFF
- Bst Nr : 40-874-00385 = Adapterkabel 6pol Pfostenkabel CN3 für Mess und Remote
- Bst Nr : 21-817-00510 = ext Poti zum externen einstellen 20-26,4V = 5KOhm LIN 6mm Achse Metall
- Bst Nr : 21-817-00510 = ext Poti zum externen einstellen 20-26,4V = 4,7Kohm LIN 6mm Achse KST
0 von 0 Bewertungen
Durchschnittliche Bewertung von 0 von 5 Sternen
Anmelden
Zubehör
 
                                                
                            
                                                            
                
                                                            8pol Stecker zu MeanWell Kabelkit bzw. Steuerleitung für MeanWell Netzteile der RSP Serie usw. für Meanwell Serie Netzteile mit 8pol Stecker mit RM2 für Remote, Sens und Brückung von mehrer Netzteilen selber Bauart z.B. CN1 / CN2 ( HRS DF11-8DP-2DS ) zu RSP1000 / RSP1500 / RSP2400 / RSP3000 ... z.B. CN-100 HRPG-300 ( G-Serie ) u.v.w.m. Bestehend aus: Spezieller 8-polige Mini Pfostenverbinder ( 1x 8pol Stecker auf Litzenkabel ) wie folgt: 8-poliger Mini Pfostenverbinder 9,0x4,0mm (zweireihig) für Remote und Controlling Aufgaben an den Netzteilen ( siehe auch weitere Bilder ) Rastermass RM2 (7,2x4,2mm RM1,75 ) Für reine Remoteaufgaben an nur einem Netzteil wird nur 1-Stück benötigt ! Um z.B. 2x selbe Netzteile zu syncronisieren ( siehe auch weitere Bilder ! ) benötigten Sie in den meisten Fällen 3 Stück dieser 8pol Steckverbinder ( CN1 / CN2 / CN100 ) Kabelänge ca. 200mm Lieferumfang: 8pol Mini Stecker mit 200mm Steuerkabel auf Litze inkl. Beiblatt mit Belegung ( Pinlayout ) Zusatzinfo dieses Kabelsätze oder Einzelteile sind wie folgt erhältlich : Bst Nr 40-874-00380 = 6pol Pfostenverbinder mit Crimp-Lötkontakte ( 100er Pack Bu + 100Kontakte ) Bst Nr 40-874-00385 = 6pol Kabelsatz mit Pfostenverbinder und Litzenkabel Bst Nr 40-874-00392 = 8pol Pfostenverbinder mit Crimp-Lötkontakte ( 100er Pack Bu + 100Kontakte ) Bst Nr 40-874-00390 = 8pol Kabelsatz mit Pfostenverbinder und Litzenkabel Bst Nr 40-874-00396 = 10pol Pfostenverbinder mit Crimp-Lötkontakte ( 100er Pack Bu + 100Kontakte ) Bst Nr 40-874-00395 = 10pol Kabelsatz mit Pfostenverbinder und Litzenkabel
 
                                                
                            
                                                            
                
                                                            Hutschienen mit Halteclip 175mm Abmessungen: B:175mm x H:48mm Materialstärke: 2,5mm Material: Aluminium
 
                                                
                            
                                                            
                
                                                            6pol Stecker zu MeanWell Kabelkit bzw. Steuerleitung für MeanWell Netzteile Serie usw. für MeanWell Serie Netzteile mit 6pol Stecker mit RM2 für Remote, Sens und Brückung von mehrer Netzteilen selber Bauart Kabelsatz mit 6pol Stecker zu HRPG-150, HRP-200, HRPG-200, ENC-120, ENC-180, ENC-240, ENC-360, HRP-150, PHP-3500, SD-500 Bezeichnung je nach Datenblatt und Modell CN3 oder CN5 oder CN100 als 6pol Ausführung Pfostenverbinder Spezieller 6-polige Mini Pfostenverbinder wie folgt: 6poliger Mini Pfostenverbinder 6,2x4,0mm (zweireihig) für Remote und Controlling Aufgaben an den Netzteilen je nach Modell Kabelänge ca. 250mm Lieferumfang: 6pol Mini-Stecker mit 200mm Steuerkabel ( Litze ) inkl. Beiblatt mit Belegung ( Pinlayout ) Zusatzinfo dieses Kabelsätze oder Einzelteile sind wie folgt erhältlich : Bst Nr 40-874-00380 = 6pol Pfostenverbinder mit Crimp-Lötkontakte ( 100er Pack Bu + 100Kontakte ) Bst Nr 40-874-00385 = 6pol Kabelsatz mit Pfostenverbinder und Litzenkabel Bst Nr 40-874-00392 = 8pol Pfostenverbinder mit Crimp-Lötkontakte ( 100er Pack Bu + 100Kontakte ) Bst Nr 40-874-00390 = 8pol Kabelsatz mit Pfostenverbinder und Litzenkabel Bst Nr 40-874-00396 = 10pol Pfostenverbinder mit Crimp-Lötkontakte ( 100er Pack Bu + 100Kontakte ) Bst Nr 40-874-00395 = 10pol Kabelsatz mit Pfostenverbinder und Litzenkabel
 
                                                
                            
                                                            
                
                                                            Befestigungsstreifen für MeanWell Schaltnetzteile Länge 140mm Breite 20mm Befestigungsstreifen für MeanWell Schaltnetzteile 6 Bohrungen 50mm / 100mm / 130mm davon 4x 6mm Durchmesser und 2x 3,5mm zum Beispiel für die Montage von SNTSerie PSP-600 und SP-500 usw.
Ähnliche Artikel
 
                                                
                            
                                                            
                
                                                            12V 166A Netzteil Hochleistungsnetzteil geschlossene Bauform mit zwei integrierten Lüftern 24/7 tauglich Bis zu 3 dieser Netzteile können zusammengeschaltet werden auf 12V 500A 6000W = 6KW siehe weitere Bilder ! **** Ersatzartikel derzeit A-Nr 93-808-03122 = 12V 200A **** Technische Daten:Eingangsspannungsbereich: 180..264V AC 50/60Hz 47-63Hz oder 254..370V DC Ausgangsleistung: 2000 WattAusgangsspannnung: 12Volt DC (einstellbar 10,8...13,2V) Gleichspannung Belastbarkeit Ausgang: 0-166,7AÜberlast bis auf max 112% der Nennleistung max Peak 200A kurzfristig Geringe Restwelligkeit: 150mVp-pÜberspannungsschutz Ausgang: 13,8-16,8VNetzausfallüberbrückung (bei 230V): 12ms Setup, Rise-Time: 1000ms, 80ms full loadHold up Time: 12ms at full loadLoad & Line Regulation: +/-0,5%Wirkungsgrad: 90%Remote ON-OFF (über optional erhältlichen Anschlusskit Mini-Pfostenverbinder Nr.: 40-874-00390 Schraubanschlüsse 2x HauptlastParallelbetrieb von bis zu 3 Netzteilen möglich siehe PlanKurzschlußfest Überlastschutz 100-112%Hoher Wirkungsgrad 90% Soft-Start mit Strombegrenzung Eingebauter Entstörfilter100% Burn-In Test unter VollastTemp.-Bereich: -20°...+70°CBefestigung über 4xM4 Gewinde im Boden oder Seitenteil 4xM4 (Gewinde im Gehäuse)Abmessungen: L:278mm B:178mm H:63,5mmGewicht: 3.3kgZubehör erhältlich siehe Zubehör-Register unten z.B. oder unter Suche eingeben Bst Nr 40-874-00390 = 8-pol Steuerkabel CN1/CN2 Pfostenkabel mit SteckverbinderBst Nr 40-874-00395 = 10-pol Steuerkabel CN3 Pfostenkabel mit SteckverbinderBst Nr 93-808-03220 = Halterung Netzteilhalter Befestigungswinkel
 
                                                
                            
                                                            
                
                                                            12V 200A Netzteil Hochleistungsnetzteil geschlossene Bauform mit zwei integrierten Lüftern 24/7 tauglich Bis zu 3 dieser Netzteile können zusammengeschaltet werden auf 12V 600A 9000W = 9KW siehe weitere Bilder ! Technische Daten:Eingangsspannungsbereich: 180..264V AC 50/60Hz 47-63Hz oder 254..370V DC Ausgangsleistung: 3000 WattAusgangsspannnung: 12Volt DC (einstellbar 10,8...13,2V) Gleichspannung Belastbarkeit Ausgang: 0-200AÜberlast bis auf max 112% der Nennleistung max Peak 224A kurzfristig Geringe Restwelligkeit: 150mVp-pÜberspannungsschutz Ausgang: 13,8-16,8VNetzausfallüberbrückung (bei 230V): 10msSetup, Rise-Time: 1000ms, 80ms full loadHold up Time: 10ms at full loadLoad & Line Regulation: +/-0,5%Wirkungsgrad: 87,5%Remote ON-OFF (über optional erhältlichen Anschlusskit Mini-Pfostenverbinder Nr.: 40-874-00390 Schraubanschlüsse 2x HauptlastParallelbetrieb von bis zu 3 Netzteilen möglich siehe PlanKurzschlußfest Überlastschutz 100-112%Hoher Wirkungsgrad 87,5% Soft-Start mit Strombegrenzung Eingebauter Entstörfilter100% Burn-In Test unter VollastTemp.-Bereich: -20°...+70°CBefestigung über 4xM4 Gewinde im Boden oder Seitenteil 4xM4 (Gewinde im Gehäuse)Abmessungen: L:278mm B:178mm H:63,5mmGewicht: 4.0kgZubehör erhältlich siehe Zubehör-Register unten z.B. oder unter Suche eingeben Bst Nr 40-874-00390 = 8-pol Steuerkabel CN1/CN2 Pfostenkabel mit SteckverbinderBst Nr 40-874-00395 = 10-pol Steuerkabel CN3 Pfostenkabel mit SteckverbinderBst Nr 93-808-03220 = Halterung Netzteilhalter Befestigungswinkel
 
                                                
                            
                                                            
                
                                                            12V Netzteil 12V 60A 720W Case Schaltnetzteil 12V Netzteil Gleichspannung. Solides Netzteil in Case Ausführung für den universellen Einsatz im Maschinenbau, Industrie, Beleuchtungstechnik, Schaltanlagen im Prinzip für alle Art von Baugruppen und Schaltungen die 10-13,5V Gleichspannung benötigen Hochleistungnetzteil geschlossene Bauform mit zwei integrierten Lüftern 720 Watt Leistung Besonderheit: Hochleistungs Netzteil mit zwei Lüfter Fernsteuerbar (Remote ON/OFF) Entstörfilter Temperatur geregelter Lüfter Kleine Bauform trotz grosser Leistung Parallel Funktion für Leistungserhöhung mit weiteren Netzteilen Technische Daten: Eingangsspannungsbereich: 230Vac Autom. Weitbereichseingang 90..264Vac bzw 127..370Vdc Netzfreq: 47...63Hz Ausgangsleistung: 720 Watt Ausgangsspannnung: 12Vdc ( mittes Poti einstellbar 10...13,5V ) Somit geeignet für Spannungen im Bereich 10V, 11V, 12V, 13V, 13.5V Leistung Ausgang: 0-60A Geringe Restwelligkeit 150mVp-p Netzausfallüberbrückung (bei 230V): 16ms Wirkungsgrad: 88% Remote ON-OFF Schraubanschlüsse 2x Hauptlast für Lastkabel Kurzschlußfest Überlastschutz Überspannungschutz 115-135% Hoher Wirkungsgrad Soft-Start mit Strombegrenzung Eingeb.Entstörfilter 100% Burn-In Test unter Vollast Temperatur Einsatzbereich: -20°...+60°C Schraubanschlüsse: Pin 1: Input Nulleiter (N) Pin 2: Input Phase (L) Pin 3: Schutzleiter (PE) V+ = Ausgangsklemme (+) V- = Ausgangsklemme (-) CN50 = 12 Steuerkontakte (wenn benötigt) Befestigung über 3xM4 Gewinde im Boden oder Seitenteil 3xM4 (Gewinde im Gehäuse siehe Zeichnung) Abmessungen: L:295mm B:127mm H:41mm Gewicht: 1.95kg
 
                                                                         
                                                                                                                                                                                                                             
                                                                                                                                                                                                                             
                                                                                                                                                                                                                             
                                                                                                                                                                                                                             
                                                                                                                                                                                                                             
                                                                                                                                                                                                                             
                                                                                                                                                                                                                             
                                                                                                                                                                                                                             
                                                                                                                                                                                                                            