24V Netzteil 1000W 42A In 90-264V CASE einstellbar 22V-28V PSPA
 
                                                229,95 €
% 289,00 € (20.43% gespart)
Sofort verfügbar, Lieferzeit: 2-4 Tage
Produktinformationen "24V Netzteil 1000W 42A In 90-264V CASE einstellbar 22V-28V PSPA"
24V Netzteil 24V Gleichspannung stabilisiert. Hochleistungnetzteil geschlossene Bauform mit Lüfter.
Diese primär getakteten Schaltnetzteile liefern an den Ausgängen eine hochstabile, einstellbare Gleichspannung von 22V bis 28V bei einem Dauerlaststrom von bis zu 42A. Die Schaltfrequenz von ca. 100kHz gestattet die Verwendung kleinster Bauteile. Größe und Gewicht dieser getakteten Netzgeräte konnten, im Vergleich mit herkömmlichen Linearnetzgeräten, um ca. 80% reduziert werden. Diese Schaltnetzteilserie verfügt über eine Klemmleiste, Trimmer zum feineinstellen.
- Geschlossene Bauform ( Case ) mit Lüfter
- Eingang / Ausgang über Schraubanschlüsse
- Ausgang mit Parallel-Funktion es können 4-Netzteile zusammengeschaltet werden !
- Stromaufteilung bis zu 4000W ( 3+1 )
- geschützt gegen Kurzschluss, Überlast, Überspannung, Übertemperatur
- eingebauter PFC-Schaltkreis
- Ein- und Ausschalten der Ausgangsspannung über Remotesignal
- Sensoranschluss für korrekte Spannung an der Last
Technische Daten:
- Leistung: max. 1008VA = 1008Watt
- Eingangsspannung: 230VAC 50Hz
- AC Input: 90...264Vac 47-63Hz /oder DC-Input mit 127...370Vdc
- Ausgangspannung: 24V DC stabilisiert ( über Poti einstellbar im Bereich 22-28V )
- Somit geeignet für Spannungen 22,0V 22,5V 23V 23,5V 24,0V 24,5V 25V 26V 27V 28V
- Ausgangsstrom 0-42A ( keine Mindestlast )
- Restwelligkeit: 200mV
- Wirkungsgrad: 93,5%
- Ausgangsschutz vor Überspannung : 29-33V
- Setup-Timme : 1000ms / Rise Time 50ms
- Integrierte Status-LED und Trimmer für Feineinstellung
- Überlastschutz: 115...140% shut down. autom. restart.
- Betriebstemperatur: -20...+70°C
- Lüftung: durch integrierte Lüfterkühlung
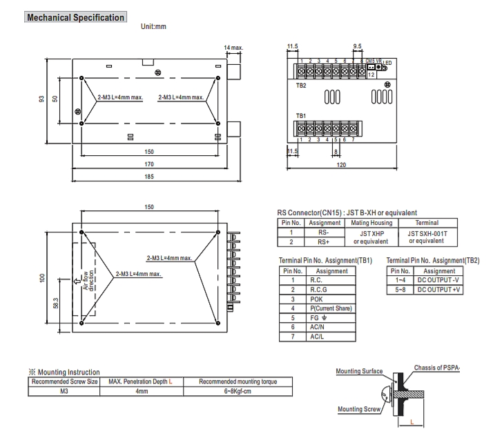
- Anschlüße über Schraubklemmen
- Eingang : L + N + PE ( Klemmen 5= PE / 6= N / 7=L )
- Ausgang über 4x Plus ( 5-8 ) und 4x Minus ( 1-4 )
- Fernsteuerungsanschluss Remote ON-OFF usw.
- Erfüllt alle gängigen Sicherheitsnormen
- UL62368-1, CAN/CSA C22.2 No. 62368-1, TUV BS EN/EN62368-1, BSMI CNS14336-1,
- AS/NZS62368.1, EAC TP TC 004 approved
- EMC EMISSION : BS EN/EN55032 (CISPR32) / BS EN/EN61000-3-2 +3
- EMC IMMUNITY : BS EN/EN61000-4-2 ( +3/+4/+5/+6/+8 )
- Abmessungen: T: 170x B: 120mm H: 93mm
- Gewicht: 1,93Kg
- Orginale Bef.Winkel von Herstellerseite gibt es nicht; es muß immer ein Standad Metallwinkel etwas angepasst werden
- Am Boden und seitlich befinden sich M3 Innengwinde wo das Netzteil befestigt werden kann ( max Tiefe 4,0mm )
- Siehe auch weitere Bilder = Zeichnung, Doku usw.
- Bst Nr.: 93-808-03210 = DIN Befestigungstreifen 140x20mm zu MW SNT ( RM100mm integriert )
- Bst Nr.: 93-808-03250 = 175mm DIN Schienen Hutschienenclip ( muß jedoch 2x Löcher nachgebort werden )
Zusatzinfo : Dieses Netzteil besitz einen Ausgang mit Parallel-Funktion für den Einsatz mit Hochstrom-Anwendung
- 1x Art-Nr 93-808-04790 = ergibt 1008Watt Netzteil 24V DC 0-42A
- 2x Art-Nr 93-808-04790 = ergibt 2016Watt Netzteil 24V DC 0-84A
- 3x Art-Nr 93-808-04790 = ergibt 3024Watt Netzteil 24V DC 0-126A
- 4x Art-Nr 93-808-04790 = ergibt 4032Watt Netzteil 24V DC 0-168A
0 von 0 Bewertungen
Durchschnittliche Bewertung von 0 von 5 Sternen
Anmelden
Zubehör
 
                                                
                            
                                                            
                
                                                            Befestigungsstreifen für MeanWell Schaltnetzteile Länge 140mm Breite 20mm Befestigungsstreifen für MeanWell Schaltnetzteile 6 Bohrungen 50mm / 100mm / 130mm davon 4x 6mm Durchmesser und 2x 3,5mm zum Beispiel für die Montage von SNTSerie PSP-600 und SP-500 usw.
 
                                                
                            
                                                            
                
                                                            Hutschienen mit Halteclip 175mm Abmessungen: B:175mm x H:48mm Materialstärke: 2,5mm Material: Aluminium
Ähnliche Artikel
 
                                                
                            
                                                            
                
                                                            24V 63A Netzteil 24V Gleichspannung stabilisiert. Hochleistungschaltnetzteil geschlossene Bauform mit Lüfter. 24/7 tauglich Diese primär getakteten Schaltnetzteile liefern an den Ausgängen eine hochstabile, einstellbare Gleichspannung von 20V bis 26,4V bei einem Dauerlaststrom von bis zu 63A. Die Schaltfrequenz von ca. 100kHz gestattet die Verwendung kleinster Bauteile. Größe und Gewicht dieser getakteten Netzgeräte konnten, im Vergleich mit herkömmlichen Linearnetzgeräten, um ca. 80% reduziert werden. Diese Schaltnetzteilserie verfügt über eine Klemmleiste, Trimmer zum feineinstellen. Technische Daten: Leistung: max. 1512 Watt Eingang 230VAC typisch AC Input: 90...264Vac 47-63Hz oder DC-Input mit 127...370Vdc Netzausfallüberbrückung: >14ms Ausgangspannung 24V Gleichspannung stabilisiert Einstellbare Gleichspannung von 20V bis 26,4V über Poti (int od. ext.) Belastbarkeit 0...63A = 1512W by 24V Dauerlaststrom von bis zu 63A bei 24V Parallelbetrieb bis zu 4 Netzteile je 63A an 24V möglich (siehe Plan) max. 6000Watt Restwelligkeit: 150mV Wirkungsgrad: 90% Überlastschutz: 115...140% Shut down. autom. Restart Überspannungsschutz Ausgang 27,6-32,4V Alarm Signal Output Zul. Betriebstemperaturbereich: -20...+70°C Lüftung: 2-fach Lüfterkühlung Fernsteuerungsanschluss Remote ON-OFF usw. über ext. Steckpins Anschluss über Schraubklemmen Orginale Winkel von Herstellerseite gibt es nicht; es muß immer ein Standad L-Metallwinkel etwas angepasst werden Am Boden und seitlich befinden sich M4 Innengwinde wo das Netzteil befestigt werden kann ( max Tiefe 5,0mm ) Befestigung z.B. M4 Schraubem mit max 5mm tiefe und Std. L-Winkel ebenso möglich ( siehe Zeichnung weitere Bilder ) Befestigung mit optionalem Hutschienenclip möglich muß leider auch angepasst werden ( siehe Zubehör-Register ) Abmessungen: T:278mm H:84mm B:127mm Gewicht: 2,75kg Optional ist noch zusätzlich erhältlich zur Befestigung ( fals Sie das benötigen wäre unsere Empfehlung wie folgt ) Bst Nr.: 93-808-03210 = DIN Befestigungstreifen 140x20mm zu MW SNT ( muß ein Loch nachgebohrt werden ) Bst Nr.: 93-808-03250 = 175mm DIN Schienen Hutschienenclip ( muß jedoch 2x Loch nachgebort werden ) Optional ist noch zusätzlich erhältlich Anschlußkabel Bst Nr .: 42-772-01230 = 35qmm Kabelsatz - Rot + Schwarz jeweils 1m lang mit mit Ringschuhen Bst Nr .: 42-772-01200 = 35qmm Kabelsatz - Rot + Schwarz jeweils 2m lang mit mit Ringschuhen Alternativen je nach Projekt und Einsatz Bst Nr : 42-772-00760 = 25qmm Kabel Schwarz ( für Minus 24V ) Meterware ohne Ringschuhe Bst Nr : 42-772-00750 = 25qmm Kabel Rot ( für Plus 24V ) Meterware ohne Ringschuhe Bst Nr.: 31-843-00045 = Sicherungshalter 2-fach für AGU Fuse vergoldet zum anschrauben 103x47x32mm Bst Nr.: 31-842-00470 = 70A AGU-Fuse vergoldet Bst Nr.: 39-400-00200 = Sicherungshalter 1-fach.MEGA Fuse Sicherungen M8 mit Deckel bis 400A Optional ist noch zusätzlich erhältlich zu diesem Netzteil ( Nicht zwinden nötig - nur für Remote und Steuer Anwendung ) Bst Nr : 40-874-00390 = Adapterkabel 8pol Pfostenkabel CN1 CN2 für Regelung oder Remote ON/OFF Bst Nr : 40-874-00385 = Adapterkabel 6pol Pfostenkabel CN3 für Mess und Remote Bst Nr : 21-817-00510 = ext Poti zum externen einstellen 20-26,4V = 5KOhm LIN 6mm Achse Metall Bst Nr : 21-817-00510 = ext Poti zum externen einstellen 20-26,4V = 4,7Kohm LIN 6mm Achse KST
 
                                                
                            
                                                            
                
                                                            24V 133A Netzteil 3,2KW Hochleistungsnetzteil geschlossener Case Lochblech Bauform mit zwei integrierten Lüftern 24/7 tauglich Weitere Besonderheiten des NSP-3200: Universell verwendbares 24V DC Netzteil mit 3200Watt Leistung Fernsteuerbar Remote ON-OFF über CN1 ( Pin3+4 ) Alarm Signal Ausgang über CN1 ( Pin2+6+5 ) TTL-Signal Über CN1 ( Pin12+14 ) externe steuerbar über externe Spannung im Bereich 50-125% Remote voltage programming / remote adjust / margin programming / dynamic voltage trim) Neben der Einstellung über das eingebaute Potentiometer kann die Ausgangsspannung durch Anlegen auf 50-125% der Nennspannung getrimmt werden durch eine EXTERNE DC SPANNUNG. Technische Daten: Eingangsspannungsbereich: 230AC typisch ( 90..264V AC 50/60Hz 47-63Hz oder 127V..400V DC ) Ausgangsleistung: 3192 Watt ( bei Input 180-264VAC ) Ausgangsspannnung: 24Volt DC (einstellbar 23,5...30V) Gleichspannung Belastbarkeit Ausgang: 0-133A Geringe Restwelligkeit: 300mVp-p Überspannungsschutz Ausgang: 31,5...37,5V Netzausfallüberbrückung (bei 230V): 16ms Setup, Rise-Time: 1500ms, 60ms full load Hold up Time: 16ms at full load Load & Line Regulation: +/-0,5% Wirkungsgrad: 93,5% Remote ON-OFF (über optional erhältlichen Anschlusskit Mini-Pfostenverbinder Nr.: ?? ) Schraubanschlüsse 2x Bolzen für Hauptlast Parallelbetrieb nicht möglich 2x integrierte Lüfter mit Temperaturüberwachung und Geschwindigkeitsanpassung Kurzschlußfest / Überlastschutz / Soft-Start mit Strombegrenzung / Eingebauter Entstörfilter 100% Burn-In Test unter Vollast Temp.-Bereich: -20°...+70°C Befestigung über 3xM3 Gewinde im Boden oder Seitenteil 2xM4 (Gewinde im Gehäuse) Abmessungen: L:326mm B:107mm H:41mm Gewicht: 3.3kg
 
                                                
                            
                                                            
                
                                                            24V 100A Netzteil Hochleistungsnetzteil geschlossene Bauform mit zwei integrierten Lüftern 24/7 tauglich Technische Daten: Leistung: 1000Watt 230VAC Eingang: 90...264Vac 47-63Hz oder DC Input mit 127...370Vdc Eingang über Schraubklemmen ( L + N + PE ) Überlastschutz: 105...110% shut down. autom. restart Protection: OVP, OLP, OTP, SCP, Fan failure Restwelligkeit: 10mV Stats LED integriert Ausgangs-Spannung: 24V DC stabilisiert (Einstellbereich über Poti +/-5% ) Ausgangs-Strom: 0-40A DC Ausgang über Schraubklemmen : Setup, Rise Time: 800ms, 60ms at full load HoldUp Time: 16ms / 230VAC at full load Lüftung: 2-fach Lüfterkühlung Status LED Anzeige Blinken- schnell langsam siehe Diagramm ... Steuerungsanschluss über Steckerleiste A) Ausgangs-Spannung regelbar über Steuerspannung (0-5V ) oder B) Ausgangs-Spannung regelbar über externes Portis oder Festwiderstand C) Ausgangs-Strom regelbar über Steuerspannung (0-5V) oder D) Ausgangs-Strom regelbar über externes Portis oder Festwiderstand E) Remote ON-OFF / Remote sense Funktion F) Power OK Signal G) Parallelbetrieb mit selben Netzteilen grundsätzlich möglich H) Zwangsstromaufteilung bei Parallelbetrieb Wirkungsgrad: 89% Übertemperaturschutz: 80° +/-5% Betriebstemperatur: -25...+60°C Sicherheits-Standards: Certified EN 62368-1; UL 62368-1 / EMI : Certified EN 55032 Abmessungen: L: 283mm B: 127mm H: 43,5mm Befestigung mit Hutschienenclip optional möglich. Am Boden und seitlich befinden sich jew. 3x M4 Innengewinde M4 Raster Boden: 74mm / seitlich: 25x255mm Gewicht: 2,10Kg
 
                                                
                            
                                                            
                
                                                            1500W 63A Netzteil Gleichspannung. Solides Netzteil in Case Ausführung für den Universellen Einsatz im Maschinenbau, Industrie, Beleuchtungstechnik, Schaltanlagen im Prinzip für alle Art von Baugruppen und Schaltungen die Gleichspannung benötigen Einstellbar auf 7,2...9V...12V...15V...18V...24V...25Volt DC mit Steuerspannung oder Widerstand Besonderheiten: Diese primär getakteten Schaltnetzteile liefern an den Ausgängen eine hochstabile, einstellbare Gleichspannung von 7,2V bis 25,2V. Dauerlaststrom max. 63A. Strombegrenzung einstellbar 1-62,5A Größe und Gewicht dieser getakteten Netzgeräte konnten, im Vergleich mit herkömmlichen Linearnetzgeräten, um ca. 80% reduziert werden. Diese Schaltnetzteilserie verfügt über eine Klemmleiste, Technische Daten: Leistung: 1500 Watt Eingang: 90...264Vac 47-63Hz oder DC Input mit 127...370Vdc Überlastschutz: 105...110% shut down. autom. restart Restwelligkeit: 150mV Ausgang-Spannung: 24V DC stabilisiert (Einstellbereich 7,2....25,2V) Ausgang-Strom: 0-63A DC (Output Current Trim 40...105%) Auxiliary Power: 5V (0,5A) Lüftung: 2-fach Lüfterkühlung Status LED Anzeige Blinken- schnell langsam siehe Diagramm ... Steuerungsanschluss über Steckerleiste A) Ausgangs-Spannung regelbar über Steuerspannung (0-5V) oder B) Ausgangs-Spannung regelbar über externes Porti oder Festwiderstand C) Ausgangs-Strom regelbar über Steuerspannung (0-5V) oder D) Ausgangs-Strom regelbar über externes Porti oder Festwiderstand Platinentrimmer zum feineinstellen von +/-5% wenn Sie keine externes Poti anschliessen möchten. E) Remote ON-OFF / Remote sense Funktion F) Power OK Signal G) Parallelbetrieb mit selben Netzteilen grundsätzlich möglich H) Zwangsstromaufteilung bei Parallelbetrieb Wirkungsgrad: 89% Übertemperaturschutz: 80° +/-5% Betriebstemperatur: -25...+60°C Abmessungen: 280 x 127 x 63,5mm Befestigung mit Hutschienenclip optional möglich. Am Boden und seitlich befinden sich jew. 4x M4 Innengewinde M4 Raster Boden: 98 x 250mm / seitlich: 35 x 237mm Gewicht: 1,86kg Optionale erhältliches Zubehör: 21-817-00076 = Poti 6mm Achse 1MOhm für Spannung 23-847-00063 = Poti Spindel-Trimmer Bourns 1MOhm für Spannung 21-817-00072 = Poti 6mm Achse 47-kOhm für Stromberenzung 23-847-00055 = Poti Spindel-Trimmer Bourns 47-kOhm für Strombegrenzung
 
                                                                         
                                                                                                                                                                                                                             
                                                                                                                                                                                                                             
                                                                                                                                                                                                                             
                                                                                                                                                                                                                             
                                                                                                                                                                                                                            