Zum Hauptinhalt springen Zur Suche springen Zur Hauptnavigation springen
schneller Versand
Telefonische Beratung
Rufen Sie gerne an
Rechnungszahlung für Firmen/Behörden
Telefon: +49 (0)7362 - 919093

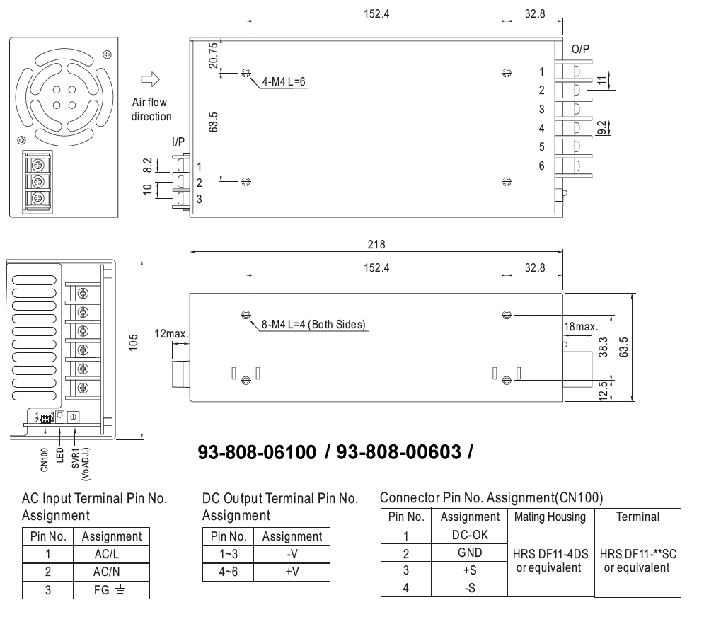
24V Netzteil 24V 650W 27A Case HRP Schaltnetzteil Eingang 85-264V

Produktinformationen "24V Netzteil 24V 650W 27A Case HRP Schaltnetzteil Eingang 85-264V"

24V Netzteil Gleichspannung stabilisiert. Universal Hochleistungsnetzteil mit autom. Weitbereichseingang

Einsatz z.B. in folgenden Bereichen: Maschinenbau, 24V Schaltungen, LED-Technik, Steuerungen, Labor, Interface, 24V Motoren, Beleuchtung usw. 

Technische Daten:

  • Stromversorgung Spannung: 230Vac typisch
  • Eingangsspannungsbereich: 85...264Vac (47...63Hz) or DC 120-370V
  • Ausgangsspannnung: 24Vdc (einstellbar über Poto 21,6..28,8V)
  • Belastbarkeit-Ausgang: 0-27A = 648W
  • Überspannungschutz: Ausgang 115-135% (30-34,8V)
  • Leistung: 650 Watt bei 24 Volt 0-27A
  • Restwelligkeit: 150mV
  • Kurzschlußfest
  • Überlastschutz
  • Setup- / Rise Time: 1000ms, 50ms full load
  • Hold UpTime: 16ms
  • Line Regulation: +/- 0,2%
  • Soft-Start mit Strombegrenzung
  • Eingebauter EMI-Entstörfilter
  • PFC Power Factor 0,94/230Vac
  • Hoher Wirkungsgrad 88%
  • 100% Burn-In Test unter Vollast
  • Parallelschaltung mehrere Netzteile: Nein nicht ausgelegt 
  • Einsatz Temperaturbereich: -40°...+70°C
  • Integrierte Lüfter mit Regelung: TRTH2 >50°C
  • Schraubanschlüsse wie folgt:
  • Input: 3-Klemmen = 2x (L/N) und 1x FG-Ground (PE)
  • Output: 3x Plus 24V und 3x Minus 24V
  • Remote bzw. Fernsteueranschlüsse: 4pol 1=DC-OK / 2=GND / 3=+S / 4=-S
  • Integrierte Remote Sense Funktion
  • Abmessungen B:105mm H:63,5mm T:218mm (230mm mit Klemmen)
  • Am Netzteilboden befinden sich 4xM4 Gewinde zur Befestigung
  • An der Netzteilseite befinden sich 4xM4 Gewinde zur Befestigung
  • Gewicht: 1,6kg

Optionale Halter und Bef.Platten: 93-808-03220 + 93-808-03240 + 93-808-03230 or 93-808-03250 (siehe Zubehör-Register)

0 von 0 Bewertungen

Durchschnittliche Bewertung von 0 von 5 Sternen

Bewerten Sie dieses Produkt!

Teilen Sie Ihre Erfahrungen mit anderen Kunden.


Produktgalerie überspringen

Zubehör

> 500 lagernd
Netzteil Halter Clip DIN L-Winkel Befestigungswinkel für MeanWell Netzteile
Netzteil Halter Clip DIN L-Winkel Befestigungswinkel für MeanWell Netzteile

Halter für Netzteil Befestigungswinkel für MeanWell Schaltnetzteile Halterung für Meanwell Serien LRS-35, LRS-50, SP-100, QP-100, TP-100, TP-150, QP-150, SP-150, RSP-150, SPV-150, SP-200, RSP-200, SD-200, SP-240, SPV-300, HRP(G)-300, MSP-300, RSP-320, SP-320, SD-350, HRP(G)-450, MSP-450, SD-500, HRP(G)-600, MSP-600, RSP-2400, RSP-3000 Passend zu sehr vielen Schaltnetzteilen div. Hersteller und Baugruppen sowie Schaltungsgehäusen usw. Universell verwendbar  

Regulärer Preis: Ab 0,39 €
> 500 lagernd
DIN Schienen Hutschienenclip 80mm Clip
DIN Schienen Hutschienenclip 80mm Clip

Hutschienen Universal Halteclip 80mm breit mit Langlochbohrungen. Passend zu den meisten Schaltnetzteilen mit 10 / 15W / 20W / 25W / 75W / 100W / 200W und 320w Varianten. Passend zu sehr vielen Schaltnetzteilen div. Hersteller und Baugruppen sowie Schaltungsgehäusen usw. Universell vewendbar. Abmessungen: B:80mm x H:46mm  Langlöcher: 4mm x 25mm Materialstärke: 2,5mm  Material: Aluminium  

Regulärer Preis: Ab 1,48 €
DIN Schienen Hutschienenclip 175mm Clip
DIN Schienen Hutschienenclip 175mm Clip

Hutschienen mit Halteclip 175mm Abmessungen: B:175mm x H:48mm Materialstärke: 2,5mm Material: Aluminium  

Regulärer Preis: Ab 6,80 €
Rabatt
Montageplatte zu Schaltnetzteilen Universal 130x104mm
Montageplatte zu Schaltnetzteilen Universal 130x104mm

Montageplatte für Schaltnetzteile universell verwendbar Montageplatte Abmessungen: 130x104mm Materialstärke: 2mm 27 Bohrungen zur Befestigung von Netzteile o.ä. Material: Aluminium Zeichnung zu Bohrungen siehe weitere Bilder passender Halteclip für Hutschienen = optional = Bst Nr 93-808-03200 Siehe auch unten im Zubehör-Register

Verkaufspreis: 3,00 € Regulärer Preis: 5,50 € (45.45% gespart)
Produktgalerie überspringen

Ähnliche Artikel

Rabatt
Neu
24V Netzteil  24V 2400W 100A Case Schaltnetzteil RSP2400 Eingang 180-264V
24V Netzteil 24V 2400W 100A Case Schaltnetzteil RSP2400 Eingang 180-264V

24V 100A Netzteil Hochleistungsnetzteil geschlossene Bauform mit zwei integrierten Lüftern 24/7 tauglich  Bis zu 3 dieser Netzteile können zusammengeschaltet werden auf 24V 300A 7200W = 7,2KW siehe weitere Bilder !  Technische Daten: Eingangsspannungsbereich: 180..264V AC 50/60Hz 47-63Hz oder 254..370V DC   Ausgangsleistung: 2400 Watt Ausgangsspannnung: 24Volt DC (einstellbar 22...28V) Gleichspannung   Belastbarkeit Ausgang: 0-100A Überlast bis auf max 112% der Nennleistung max Peak 112A kurzfristig  Geringe Restwelligkeit: 150mVp-p Überspannungsschutz Ausgang: 28,8-33,6V Netzausfallüberbrückung (bei 230V): 12ms Setup, Rise-Time: 1000ms, 80ms full load Hold up Time: 12ms at full load Load & Line Regulation: +/-0,5% Wirkungsgrad: 90% Remote ON-OFF (über optional erhältlichen Anschlusskit Mini-Pfostenverbinder Nr.: 40-874-00390  Schraubanschlüsse 2x Hauptlast Parallelbetrieb von bis zu 3 Netzteilen möglich siehe Plan Kurzschlußfest Überlastschutz 100-112% Hoher Wirkungsgrad 90%  Soft-Start mit Strombegrenzung  Eingebauter Entstörfilter 100% Burn-In Test unter Vollast Temp.-Bereich: -20°...+70°C Befestigung über 4xM4 Gewinde im Boden oder Seitenteil 4xM4 (Gewinde im Gehäuse) Abmessungen: L:278mm B:178mm H:63,5mm Gewicht: 3.3kg Zubehör erhältlich siehe Zubehör-Register unten z.B. oder unter Suche eingeben Bst Nr 40-874-00390 =   8-pol Steuerkabel CN1/CN2 Pfostenkabel mit Steckverbinder Bst Nr 40-874-00395 = 10-pol Steuerkabel CN3 Pfostenkabel mit Steckverbinder Bst Nr 93-808-03220 = Halterung Netzteilhalter Befestigungswinkel

Verkaufspreis: 509,00 € Regulärer Preis: 599,00 € (15.03% gespart)
Rabatt
24V Netzteil 24V 1000W 40A Case RSP Schaltnetzteil Eingang 90-264V
24V Netzteil 24V 1000W 40A Case RSP Schaltnetzteil Eingang 90-264V

24V 40A Netzteil mit 1000W Leistung. Hochleistungnetzteil geschlossene Bauform mit zwei integrierten Lüftern 960 Watt Leistung Technische Daten: Eingangsspannungsbereich: 230Vac Autom. Weitbereichseingang 90..264Vac bzw 127..370Vdc Netzfreq: 47...63Hz 24/7 tauglich Ausgangsleistung: 960 Watt (max. 1000W) Ausgangsspannnung: 24Volt DC ( Adjust  20,5...26,4V über Poti )  Somit geeignet für Spannung 21V, 22V, 23V, 24V, 25V, 26V Ausgangsstrom: 0-40A  Geringe Restwelligkeit 150mVp-p  Netzausfallüberbrückung (bei 230V): 16ms Wirkungsgrad: 88%  Remote ON-OFF ( Fernsteuerung EIN-AUS ) siehe auch weitere Bilder  Parallel schaltbar zur Stromerhöhung mit mehreren Netzteilen ( siehe weitere Bilder )  Schraubanschlüsse 2x Hauptlast für Lastkabel Kurzschlußfest  Überlastschutz  Überspannungschutz 115-135% Ausgang 27,6-32,4V  Hoher Wirkungsgrad Soft-Start mit Strombegrenzung  Eingeb.Entstörfilter 100% Burn-In Test unter Vollast Temperatur Einsatzbereich: -20°...+60°C Schraubanschlüsse: Pin 1: Input Nulleiter (N) Pin 2: Input Phase (L) Pin 3: Schutzleiter (PE) V+ = Ausgangsklemme (+) V- = Ausgangsklemme (-) CN50 = Steuerkontakte ( wenn benötigt = Bst Nr 40-874-00390 ( 8pol ) oder 40-874-00400 ( 12pol ) ) Befestigung über 3xM4 Gewinde im Boden oder Seitenteil 3xM4 (Gewinde im Gehäuse siehe Zeichnung)  Abmessungen: L:295mm B:127mm H:41mm Gewicht: 1.75kg Erhältliches Zubehör = Befestigungswinkel = Bst Nr 93-808-03220 ( ggf. unter Suche eingeben )

Verkaufspreis: 259,00 € Regulärer Preis: 358,99 € (27.85% gespart)
Rabatt
24V Netzteil 24V 120W 5A für DIN Hutschiene Eingang 230VAC NDR120
24V Netzteil 24V 120W 5A für DIN Hutschiene Eingang 230VAC NDR120

24V 5A Netzteil für die Hutschienen DIN Rail Montage  24Volt Netzteil mit 120-Watt Leistung. Ideal für alle 24Volt Verbraucher aller Art. Extrem stabiles und robustes 24V Industrienetzteil. Einsatzbereich Schaltschrankbau, Maschinenbau, LED Stromversorgung usw. stabilisierte 24Volt Ausgangsspannung Technische Daten: direkt auf 35mm DIN-Schiene montierbar berührsichere Schraubklemmen weiter Eingangsspannungsbereich Eingangsspannung: 230Vac typisch Weitebereichseingang: 90...264Vac Wechselstrom oder 127...370Vdc Gleichspannung Eingangsfrequenz: 47..63 Hz Ausgangsspannung: 24V DC stabilisierte Gleichspannung Ausgangspannung über Poti 24...28V nachstellbar Poti unterhalb der 4er Ausgangsklemme im Frontbereich Belastbarkeit Ausgang: 0-5A = max 5000mA bei 24V Mindestlast Nein Line Regulation: +/-2% Load Regulation: +/-1% Restwelligkeit: nur 100mV Voltage Tolerance: +/-2% Leistung: max 120Watt Effektivität: 88% 100% full load burn-in test Ausganggschutz (Überspannung): 29..33V Kurzschlusschutz: Ja automatisch Betriebstemperaturbereich: -20... +70 °C Überspannungsschutz: Ja 120-140% Leistungsbegrenzung Setup, Rise, Hold Time: 1200ms, 60ms, 16ms by 230V AC Over Load Protection: 105-150% of rate load Abmessungen: B: 40mm H: 125,2mm T: 113,5mm Gewicht: 0,6kg  Erfüllt Normen : Sicherheit : UL508,  BS EN/EN62368-1, EAC TP TC 004 approved;(meet BS EN/EN60204-1) RoHs : Ja  EMC Emission : Compliance to BS EN/EN55032 (CISPR32), BS EN/EN61204-3 Class B,                            BS EN/EN61000-3-2,-3, EAC TP TC 020 EMC Immunity : Compliance to BS EN/EN61000-4-2,3,4,5,6,8,11, BS EN/EN55024,                            BS EN/EN61000-6-2 (BS EN/EN50082-2),                            BS EN/EN61204-3, heavy industry level, criteria A, EAC TP TC 020

Verkaufspreis: 27,90 € Regulärer Preis: 34,95 € (20.17% gespart)
Rabatt
24V Netzteil 24V 200W 8A Case Schaltnetzteil Eingang 85-264V
24V Netzteil 24V 200W 8A Case Schaltnetzteil Eingang 85-264V

24V 8A 200W Netzteil 24V stabilisierte Gleichspannung. 24/7 tauglich 24V Schaltnetzteil 24/7 tauglich ohne Lüfter, CASE Ausführung.  Industrie Qualität, flache Bauform, Ersetzt auch SP200 Serie Technische Daten: Autom Weitbereichseingang: 85...264Vac (47..63Hz)oder 124...370Vdc (Gleichspannung) über selbe Klemmen Leistung: max. 201,6 Watt Ausgangsspannnung: 24V stabilisierte Ausgangsspannung Ausgangsspannung einstellbar über internes Poti von 20...26,4 Volt Belastbarkeit Ausgang: 0...8,4A max. 8400mA ( Mindestlast: nein ) Belastbarkeit Dauer 201,6Watt  geringe Restwelligkeit nur 150mV Kurzschlußfest, Überlastschutz bereits integriert Ja  Integrierte Status LED Ja  Netzausfallüberbrückung 50ms / RiseTime 1500ms   Überspannungschutz Ausgang Ja 110-135% ( 27,6-32,4V )  Temperaturschutz Ja integriert  Hoher Wirkungsgrad besser 89,5% geschlossene Bauform (case) Schraubanschlüsse Universaleingang Überlastschutz durch Abschalten, auto recovery geschützt gegen Kurzschluss, Überlast, Überspannung Softstart = aktive Einschaltstrombegrenzung bereits integriert ( active inrush current limiting ) siehe auch weitere Bilder Blockschaltbild eingebauter PFC-Schaltkreis Eingebauter Entstörfilter Anschlüsse Schraubklemmen ( L / N PE ) und Ausgang: 3xMinus ( 4-6 ) und 3xPlus ( 7-9 ) 100% Burn-In Test unter Vollast Leistungsbegrenzung bei 105...135%  Integrierte PFC-Funktion = PowerFaktor: PF >0,95/230VAC  Vibrationsfest im Bereich 10-500Hz, 2G 10min. / 1cycle, 60min. each along X, Y, Z axes Temp.Einsatzbereich: -30°...+70°C niedrige Bauhöhe Abmessungen  H: 30mm B:115mm L:215mm ( siehe auch weitere Bilder = Zeichnung )  Gewicht: 0.8kg Seitlich und am Boden sind jeweils M4-Gewinde eingelassen für die Befestigung auf optional erhältliche Hutschienenclips. Siehe auch im Zubehör Register:  Bohrungen am Boden = RM 50mm ( Quer )  und RM 150mm ( Längs ) / Bohrungen seitlich RM 150mm    Erhältliches Zubehör siehe auch im Zubehör Register oder ggf. unter Suche eingeben :  Bst Nr 93-808-03220 = Befestigungswinkel für seitliche Befestigung  Bst Nr 93-808-03230 = Hutschienclip mit 80mm Baubreite  Bst Nr 93-808-03250 = Hutschienclip mit 150mm Baubreite Erfüllt folgende Normen :  Sicherheit : UL62368-1, TUV BS EN/EN62368-1, EAC TP TC 004, CCC GB4943.1,                      BSMI CNS14336-1, AS/NZS 60950.1 approved EMC Emmision = Compliance to BS EN/EN55032 (CISPR32) Class B,                      BS EN/EN61000-3-2,-3,EAC TP TC 020, CNS13438, GB9254 Class B, GB17625.1 EMC Immunity = Compliance to BS EN/EN61000-4-2,3,4,5,6,8,11,                        BS EN/EN55024, light industry level, criteria A, EAC TP TC 020

Verkaufspreis: 47,90 € Regulärer Preis: 59,90 € (20.03% gespart)
Rabatt
24V 5A Netzteil mit Akku Anschluss Ladefunktion und Netzausfallschutz DC USV
24V 5A Netzteil mit Akku Anschluss Ladefunktion und Netzausfallschutz DC USV

24Volt Netzteil mit USV Funktion (24V Notstromversorgung mit Akkupufferung) 25V 5,5A Schaltnetzteil mit Ladefunktion und Netzausfallschutz 24V 5,5A Netzteil mit Ladefunktion Akkuanschluss und Netzausfallschutz gleichzeitig 24V Geräte betreiben und Bleiakku oder Bleigelakku laden empfohlene Akkukapazität: 2Ah bis 24Ah(z.B. 2x12V Akku) Häufig wird in der Elektronik eine Stromversorgung mit Netzausfallüberbrückung benötigt. Umschaltzeit nicht vorhanden da Ausgang dauernd ON über angeschlossenen Akku  Ideal für die Steuerungstechnik, Funktechnik, Messtechnik, fernbetriebene Systeme, Fertigungssteuerungen und zahlreiche andere 24V Systeme benötigen eine netzausfallsichere Stromversorgung Hier ist eine fertige Lösung Netzteil mit Akkuanschluss  Technische Daten: Eingang 230VAC typisch  Eingangsspannungsbereich: 88...264Vac  47...63Hz oder 124-370Vdc Leistung: bis 151 Watt Ausgangsspannnung: 24 Volt stabilisierte Gleichspannung Leistung Ausgang 0-5A max. 5,5A ( Netzteil 5A + 0,5A Ladestrom )  Ausgangsspannung über Poti bedingt durch Akku regelbar ( 24V...29V ) Geringe Restwelligkeit nur 150mV USV Modus intengriert für Pufferfunktion Bei Netzausfall wird die Spannung des Akkus direkt an den 24V Geräteausgang durchgeschleift  Anschluss mit Ladefunktion für Akku (Blei, Blei-Gel, AGM) Anschluss für 24V Pufferakku (Bleiakku) bis 25Ah ( z.B. 2 x 12V Akku ) Empfohlene Akkukapazität: 2Ah bis 25Ah, je nach angeschlossenem Verbraucher und Pufferzeit Integriertes Ladegerät für den angeschlossenen optionale 24V Bleiakku automatische Laderegelung des angeschlossenen Akkus Akku Ladestrom automatisch bis max 0,5A Akkuschutz durch integrierte Sicherung Batterie Low Erkennung: 19,5V +1,5V -1V Dabei überwacht die Low-Schutzschaltung die Spannung des Akkus  Ab 19,5V und darunter wird der Akku vom Verbraucher getrennt 2 Schraubanschlüsse für 24V Ausgang (Last) 2 Schraubanschlüsse für 24V Akku (Bleiakku) 3 Netzeingang (L+N+PE) Überspannunssschutz für den Ausgang: 31,74-37,26V Kurzschlußfest Überlastschutz 105-135% Netzausfallüberbrückung 20ms ( Dies beziehen sich auf die Pufferzeit des Netzteils )  DC Online USV ( Eine Umschaltung per Relais zum Akku gibt es nicht, der Akku ist permanent Online )  Überspannungschutz 110-150% Hoher Wirkungsgrad: 84% Soft-Start mit Strombegrenzung Eingebauter Entstörfilter PFC PF>0,92 Eingang-Ausgang galvanisch getrennt  100% Burn-In Test unter Vollast Leistungsbegrenzung mit Wiederanlauf im Kurzschlussfall Temperatureinssatzbereich: -10°...+60°C Schraubanschlüsse:  L+N+PE = 230V Netzeingang BATT(+) und BATT (-) für externen Bleiakku DC(+) und DC(-) Ausgang für Last 2-pol Steckverbinder CN1 Anschluss für Reset Switch Lochblechgehäuse mit M3 Gewinde für die Befestigung mit Hutschienenclips o.ä. Abm.: L: 199mm H: 50mm B: 110mm Gewicht: 0.88kg Passendes Zubehör wie 2x 12V Bleiakkus mit unterschiedlicher Leistung siehe (Zubehör-Register) Dieses Netzteil mit Akkuanschluss für Bleiakku Pufferung ist wie folgt erhältlich :  als 12V Ausführung  Art-Nr 93-808-04650 = Netzteil Case 230V mit Akkuanschluss 230V auf 12V DC   50W 3,0A+0,5A Ladestrom Art-Nr 93-808-04250 = Netzteil Case 230V mit Akkuanschluss 230V auf 12V DC 150W 11A+0,5A Ladestrom  als 24V Ausführung  Art-Nr 93-808-04660 = Netzteil Case 230V mit Akkuanschluss 230V auf 24V DC   50W 1,5A +0,3A Ladestrom Art-Nr 93-808-04662 = Netzteil Case 230V mit Akkuanschluss 230V auf 24V DC   60W 2,0A +0,2A Ladestrom oder 1,7A +0,5A Ladestrom  Art-Nr 93-808-04260 = Netzteil Case 230V mit Akkuanschluss 230V auf 24V DC 150W 5,0A+0,5A Ladestrom  

Verkaufspreis: 64,95 € Regulärer Preis: 84,95 € (23.54% gespart)
24V 6A Netzteil 150W für Hutschiene ideal für 24V Steuerungen und induktive Lasten wie Motoren 
24V 6A Netzteil 150W für Hutschiene ideal für 24V Steuerungen und induktive Lasten wie Motoren 

24V 6,3A Netzteil mit 150W direkt auf DIN-Schiene / Hutschiene montierbar solide Industrieausführung  Direkt auf DIN-Schiene (Hutschiene) montierbar + geschlossene Bauform + Kein Lüfter + 170% PowerBoost Funktion für 10Sek.  Besonder Eigenschaften : 170% Power Boost für 10 Sekunden somit auch ideal für induktive Lasten wie Motoren  Konvektionsgekühlt = keine Lüfter also leise  Parallel Funktion ( Es können mehrer Netzteil zusammengeschaltet werden )  berührgeschützte Schraubanschlüsse  Überlastschutz durch Strombegrenzung Überspannungsschutz  Kurzschlussfest mit Auto Recover Funktion  hoher Wirkungsgrad von 93%  LED-Anzeige für Power-On  100 % Burn-In-Test unter Volllast  eingebauter Entstörfilter, geringe Restwelligkeit. Einsatz bei Elektroverteiler und Modellbau, Schaltanlagen und Meß / Regeltechnik, Automatisierung, SPS und Microelektronik, Smart-Home Systeme, Motore und Beleuchtung. Somit verwendbar für Anwendungen im 24Volt Gleichspannungsbereich: Technische Daten: Betriebspannung: 230VAC typisch 50/60Hz  Eingangsspannung 85...264Vac (47..63Hz oder 120...370Vdc)  Power Factor: > 0.96  Ausgangsspannung: 24Vdc (Gleichspannung) stabilisiert  Feineinstellung über Poti 23...28V Frontseitig  Belastbarkeit / Leistung: 150Watt  Ausgangsstrom: max. 6,3A   Restwelligkeit: 240mV = Ripple/Noise: < 1 % of Output Voltage  Hold-up Time: 20ms full Load, 230 VAC Parallel OperaOon: Yes  Wirkungsgrad: 93%  Überlastschutz: Ja  Übertemperaturschutz: Ja /  Überspannungsschutz für den Ausgang bei 35V  1x Status LEDs (DC ok) Safety Norm:   CE compliance with Low-Voltage DirecOve 2014/35/EU  EMC DirecOve compliance with 2014/30/EU  Safety compliance with UL508, UL60950-1, EN60950-1 Betriebstemperaturbereich: - 0° ... + 70 °C  Anschluss über steckbare Schraubklemmen Ausgang: (3x(+) und 3x(-)) / Anschluss über steckbare Schraubklemmen Ausgang:  Anschluss über steckbare Schraubklemmen Eingang: 3x Klemmen (PE / N / L) Abmessungen: B: 43mm T:76,5mm mit Klemmen 90mm H:127mm  Hutschienenclip rückseitig befestigt und anbei für übliche TS35 DIN Schiene Gehäuse: Aluminium Lüftungsschlitze oben und unten Lüfter: Nein   erhältlich auch in folgenden Varianten 93-807-03024 = 24V  10W Hutschienen Netzgerät 93-807-07012 = 12V  10W Hutschienen Netzgerät 93-807-03025 = 24V  30W Hutschienen Netzgerät 93-807-03023 = 12V  30W Hutschienen Netzgerät 93-807-03026 = 24V  60W Hutschienen Netzgerät 93-807-03038 = 12V  60W Hutschienen Netzgerät 93-807-03027 = 24V 100W Hutschienen Netzgerät 93-807-06155 = 24V 150W Hutschienen Netzgerät 93-807-06180 = 12V 150W Hutschienen Netzgerät 93-807-07240 = 24V 240W Hutschienen Netzgerät 93-807-07120 = 12V 240W Hutschienen Netzgerät

Regulärer Preis: Ab 98,88 €
24V 10A Netzteil 24V 240W für DIN Hutschiene Eingang 100-250V

Durchschnittliche Bewertung von 5 von 5 Sternen

24V 10A Netzteil 24V 240W für DIN Hutschiene Eingang 100-250V

24V Netzteil direkt auf DIN-Schiene / Hutschiene  montierbar geschlossene Bauform + TOP Industriequalität extrem zuverlässig ohne Lüfter  Einsatz bei Elektroverteiler Industriesteuerungen SPS Schaltanlagen Motorsteuerungen und Mess- und Regeltechnik, Automatisierung, SPS und Microelektronik, BLC + DC Motore Beleuchtung usw. verwendbar für 24Volt DC Anwendungen aller Art  Technische Daten: geschlossene Bauform TOP-Qualitä !  konvektionsgekühlt = keine Lüfter also leise berührgeschützte Schraubanschlüsse Überlastschutz durch Strombegrenzung, auto recovery Überspannungsschutz Kurzschlussfest Hoher Wirkungsgrad  Parallel verwendbar mit weiteren Netzteilen der selben Serie ( parallel use and boost power ) PFC = Ja Power Factor Korrektur  LED-Anzeige für Power-Status 100 % Burn-In-Test unter Volllast eingebauter Entstörfilter, geringe Restwelligkeit Technische Daten: Eingangsspannung 100...240Vac (47..63Hz oder 120...370Vdc)  Ausgangsspannung: 24Vdc (Gleichspannung) stabilisiert Feineinstellung über Poti 23...28V frontseitig Leistung: 240 Watt Ausgangsstrom: max. 10A  Restwelligkeit: 180mV Line Regualtion: 1% Wirkungsgrad: 90% Überlastschutz: Ja Übertemperaturschutz: Ja Überspannungsschutz: Ausgang max. 31V Automatischer Restart by more then 110-140%  1x Status LEDs (DC ok) Safety Norm: EN60950-1 Normen: IEC60950-1-2005+A1+A2 / EN60950-1-2006+A11+A1+A12+A2:2013 EN55022:2010 / EN55024:2010 / EN61000-3-2-A1+A2 / IEC61000-3-3:2013 / EN61000-3-3:2013 EC-NO 278-2009 EN50563:2011 / EN50581:2012 Low Voltage Directive 2014/35/EU EMC Directive 2014/30/EU ERP konform bei Last 0mA sinkt der Eigenverbrauch unter 0,5Watt  Betriebstemperaturbereich: - 20° ... + 70 °C Anschluss über steckbare Schraubklemmen Ausgang: (3x(+) und 3x(-)) Anschluss über steckbare Schraubklemmen Eingang: 3x Klemmen (PE/N/L) Abmessungen: B: 60mm T:102mm mit Klemmen 113mm H:127mm Hutschienenclip anbei für übliche TS35 DIN Schiene Gehäuse: Aluminium Lüftungsschlitze oben und unten - Lüfter Nein Gewicht: 0,71kg erhältlich auch in folgenden Varianten 93-807-03024 = 24V  10W Hutschienen Netzgerät 93-807-07012 = 12V  10W Hutschienen Netzgerät 93-807-03025 = 24V  30W Hutschienen Netzgerät 93-807-03023 = 12V  30W Hutschienen Netzgerät 93-807-03026 = 24V  60W Hutschienen Netzgerät 93-807-03038 = 12V  60W Hutschienen Netzgerät 93-807-03027 = 24V 100W Hutschienen Netzgerät 93-807-06150 = 24V 150W Hutschienen Netzgerät 93-807-06180 = 12V 150W Hutschienen Netzgerät 93-807-07240 = 24V 240W Hutschienen Netzgerät 93-807-07120 = 12V 240W Hutschienen Netzgerät  

Regulärer Preis: Ab 99,99 €