12V Netzteil 12V 450W 37A Case Schraubklemmen kleines SNT
 
                                                149,00 €
% 179,00 € (16.76% gespart)
Sofort verfügbar, Lieferzeit: 2-4 Tage
                                            
                            Artikelnummer:
                        
                    
                                            
                        
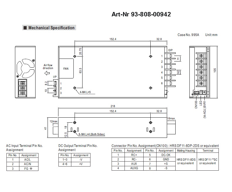
                            93-808-00942
                        
                                    
                    
        
    
                        
                        
    
    Produktinformationen "12V Netzteil 12V 450W 37A Case Schraubklemmen kleines SNT"
12V 37,5A Netzteil 12V Gleichspannung. Solides Netzteil in schlanker Case Ausführung für den universellen Einsatz im Maschinenbau, Industrie, Beleuchtungstechnik, Schaltanlagen im Prinzip für alle Art von Baugruppen und Schaltungen die 12V Gleichspannung benötigen
Besonderheit:
- Hochleistungs Netzteil mit mit Lüfter
- PFC Funktion und Entstörfilter
- Status LED integriert
- Poti zur Spannungsseinstellung des Ausgangs von 10,2...13,8V
- Sensoranschluss für korrekte Spannung an der Last
- Remote ON/OFF Fernsteuerkontakt Ein/Aus
- Großer Temperatureinsatzbereich -40...+70°C
- Vibrationsfest bis 5G 10min ( 10-500Hz )
- Eingang-Ausgang galvanisch getrennt
- Kleine sehr schmale Bauform nur 41mm Bauhöhe
Technische Daten:
- Stromverorgung 230V AC typisch 50/60Hz
- Eingangsspannungsbereich: 85...264VAC 50/60Hz oder 120....370VDC
- Überspannungsschutz 300VAC 5sek
- Schraubanschlüsse 3x für (+) Plus / 3x für (-)Minus
- Schraubanschlüsse 3x Input PE / L / N
- Belastbarkeit bzw. Leistung: 450Watt
- Ausgangsspannnung: 12V DC stabilisiert max. 37,5A ( 0-37,5A )
- Ausgangsspannnung: 12V stabiliserte Gleichspannung
- Ausgangsspannung über Poti nachstellbar ( 10,2...13,8V)
- Ausgangsspannung über Poti regelbar (10,2.....13,8V)
- Remote ON/OFF Fernsteuerkontakt Ein/Aus
- LED Status Anzeige
- Integrierte Remote Sens Funktion
- Kurzschlußfest Überlastschutz
- PFC Funktion PF >0,95
- Netzausfallüberbrückung 16ms / Setup- / Rise Time: 1000ms / 100ms
- Überspannungschutz Ausgang: 14,4...16,8V
- Hoher Wirkungsgrad: 88%
- Soft-Start mit Strombegrenzung
- Eingebauter Entstörfilter PFC
- Geringe Restwelligkeit nur 120mV
- 100% Burn-In Test unter Vollast
- Leistungsbegrenzung bei 105...135%
- Einsatz Temperatur Bereich: -40°...+70°C
- Schraubanschlüsse
- Eingang: AC (L) / AC (N) / PE (FG)
- Ausgang: 3x Plus (+) Klemme 4-6
- Ausgang: 3x Minus (-) Klemme 1-3
- Remote DC Signal (Remote Sens) CN100 4pol Stecker
- Metallgehäuse CASE Schlitzblechgehäuse
- Integrierter Lüfter für Kühlung mit Thermostat
- Abmessungen: L: 218mm H: 41mm B: 105mm
- M4 Befestigungslöcher für optionalen Hutschienenclip
- M4 Gewinde Seitlich Anstand: 18mm und 152,4mm
- M4 Gewinde Boden Anstand: 63,5mm oder 152,4mm
- Gewicht: 1,25Kg.
Anmelden
                                                    
                                                            Keine Bewertungen gefunden. Teilen Sie Ihre Erfahrungen mit anderen.
                                    
                                                                
             
                                                                         
                                                                                                                                                                                                                             
                                                                                                                                                                                                                             
                                                                                                                                                                                                                             
                                                                                                                                                                                                                             
                                                
                            
                                                            
                
                                                             
                                                
                            
                                                            
                
                                                            