Zum Hauptinhalt springen Zur Suche springen Zur Hauptnavigation springen
schneller Versand
Telefonische Beratung
Rufen Sie gerne an
Rechnungszahlung für Firmen/Behörden
Telefon: +49 (0)7362 - 919093

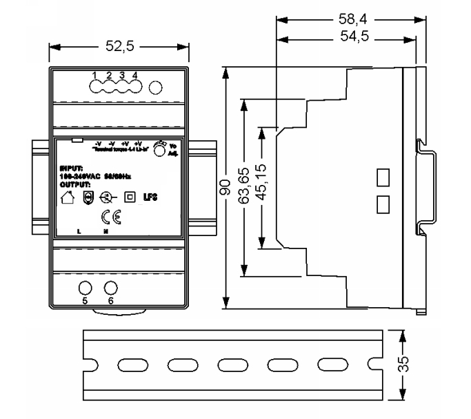
24V 2,5A Netzteil 60W für Hutschiene DIN-Rail

Produktinformationen "24V 2,5A Netzteil 60W für Hutschiene DIN-Rail"

24V 2,5A Netzteil für die Hutschiene. 24V Gleichspannung stabilisiert für Schaltschrank, Steuerungstechnik, Haustechnik, Modellbau usw. 

  • Direkt auf DIN-Schiene montierbar
  • geschlossene Bauform
  • berührgeschützte Schraubanschlüsse
  • Universaleingang
  • Überlastschutz durch Strombegrenzung, auto recovery
  • geschützt gegen Kurzschluss, Überlast, Überspannung
  • hoher Wirkungsgrad 
  • LED-Anzeige für Power-On
  • 100 % Burn-In-Test unter Volllast · eingebauter Entstörfilter, geringe Restwelligkeit
  • niedrige Leerlaufleistung
  • LED-Anzeige für Power-On
  • Isolationsklasse II

Technische Daten:

  • Eingang: 230VAC typisch
  • Autom.Eingangsspannung 100...240VAC  ( 85-264VAC  47/63Hz )
  • Ausgangsspannung : 24V DC stabilisierte Gleichspannung
  • Feineinstellung über Poti für Ausgang im Bereich 23...25V
  • Ausgangsstrom: 0....2,5Amp
  • Restwelligkeit: 150mV
  • Belastbarkeit / Leistung: 60Watt.
  • Wirkungsgrad: 90%.
  • Überspannungsschutz: 115 ... 135 %
  • Leistungsbegrenzung: 105 ... 160 %
  • Betriebstemperaturbereich: - 30 ... + 70 °C
  • Anschluss über verdeckte isolierte Schraubklemmen.
  • Abmessungen: B:52,5mm H: 54,5mm Länge: 90mm ( oben-Unten ) siehe auch weitere Bilder Zeichnung 
  • Gewicht: 0,19kg
  • Sicherheitsstandards: 

    UL62368-1, UL1310, IEC EN6238, EN61558 FCC Part15 Class B
  • EN 55032: 2015 / EN55024:2010+A1: 2015 / EN610000-3-2: 2014 / EN61000-3-3: 2013 

passende Hutschiene siehe (Zubehör-Register)

0 von 0 Bewertungen

Durchschnittliche Bewertung von 0 von 5 Sternen

Bewerten Sie dieses Produkt!

Teilen Sie Ihre Erfahrungen mit anderen Kunden.


Produktgalerie überspringen

Ähnliche Artikel

24V 2,5A Netzteil 60W für Hutschiene DIN-Rail HDR
24V 2,5A Netzteil 60W für Hutschiene DIN-Rail HDR

24V 2,5A Netzteil für die Hutschiene. 24V Gleichspannung stabilisiert für Schaltschrank, Steuerungstechnik, Haustechnik, Modellbau usw.  Direkt auf DIN-Schiene montierbar geschlossene Bauform berührgeschützte Schraubanschlüsse Universaleingang Überlastschutz durch Strombegrenzung, auto recovery geschützt gegen Kurzschluss, Überlast, Überspannung hoher Wirkungsgrad  LED-Anzeige für Power-On 100 % Burn-In-Test unter Volllast · eingebauter Entstörfilter, geringe Restwelligkeit niedrige Leerlaufleistung LED-Anzeige für Power-On Isolationsklasse II Technische Daten: Eingang: 230VAC typisch Autom.Eingangsspannung 85...264VAC oder 120..370Vdc / Ausgangsspannung : 24V DC stabilisierte Gleichspannung Feineinstellung über Poti für Ausgang im Bereich 21,6...29V Ausgangsstrom: 0....2,5Amp Restwelligkeit: 150mV Belastbarkeit / Leistung: 60Watt. Wirkungsgrad: 90%. Überspannungsschutz: 115 ... 135 % Leistungsbegrenzung: 105 ... 160 % Betriebstemperaturbereich: - 30 ... + 70 °C Anschluss über verdeckte isolierte Schraubklemmen. Abmessungen: B:52,5mm H: 54,5mm Länge: 90mm ( oben-Unten ) siehe auch weitere Bilder Zeichnung  Gewicht: 0,19kg Sicherheitsstandards: UL62368-1, UL508, TUV BS EN/EN61558-2-16 ,  IEC62368-1, , BSMI CNS14336-1 , BS EN/EN61558-1 EAC TP TC 004 a BS EN/ pproved; Design refer to EN62368-1  passende Hutschiene siehe (Zubehör-Register)

Regulärer Preis: Ab 21,50 €
24V Netzteil 24V 60W 2,5A für DIN Hutschiene In 90-264V Green-Power
24V Netzteil 24V 60W 2,5A für DIN Hutschiene In 90-264V Green-Power

24V Netzteil direkt auf DIN-Schiene (Hutschienen-Netzteil) montierbar geschlossene Bauform    Dieses hochwertige 24V Netzteil ist ein leistungsfähiges elektronisches Schaltnetzteil für die Hutschienenmontage ( DIN-Rail ) . Es eignet sich z. B. für die Industrie- und Hausautomation (Smart-Home Systeme) oder industrielle Anwendungen (Automation, Maschinenbau etc.). Unsere neue GREEN POWER Serie zeichnet einen extrem geringen Verbrauch im Standby-Modus aus. Der Verbrauch liegt bei nur noch < 0.3 W. Durch die Bauform ist das Netzteil nicht wie einige andere Modelle nur für die Hutschienenmontage geeignet, sondern auch für den Einbau in Haussicherungskästen und Elektro-Verteilerkästen (z. B. von Hager, Rietal, Siemens  etc.).  Besonderheiten:  Green Power Ausführung  Power Factor Meets EN61000-3-2, EN61000-3-3 Compliance with Low-Voltage Directive 2014/35/EU Parallel und Seriell Funktion ( Es können mehrer Netzteile dieser Serie verschaltet werden ) Parallel tauglich zb. Leistungserhöhung 2x2,5A = 5,0A Seriell Funktion mit 2x 24V kann 48VDC erzeugt werden Konvektionsgekühlt = keine Lüfter also leise berührgeschützte Schraubanschlüsse Überlastschutz durch Strombegrenzung, auto recovery + Überspannungsschutz · kurzschlussfest hoher Wirkungsgrad LED-Anzeige für Power-On 100 % Burn-In-Test unter Volllast eingebauter Entstörfilter, geringe Restwelligkeit  Technische Daten: Eingangsspannung 230VAC typisch    Autom. Weitbereichseingang 85...264Vac (47..63Hz) oder 120...370Vdc /  Ausgangsspannung: 24Vdc (Gleichspannung) stabilisiert  Feineinstellung über Poti (24...28V)  Belastbarkeit Ausgang  60-Watt  Ausgangsstrom: 0....2,5A  Restwelligkeit: 1% = 120mV  No Load Consumpton <0.3 W = 1,3mA Parallel and Serial Functon Applicaton HolUp Time: 20ms bei 230VAC full Load  Line Regualtion: 1%  Wirkungsgrad: 87%.  Überspannungsschutz: 120...140%  1x Status LEDs (DC ok  Lendesdauer MTBF >350.000h laut Herstellerangaben = 35-40Jahre  Betriebstemperaturbereich: - 25 ... + 85 °C  Kunststoffgehäuse Plastic Class V0 Anschluss über Schraubklemmen  Ausgang: (2x(+) und 2x(-))  Eingang: 2x Klemmen ( N+L )     ohne PE da Schutzklasse 2  Gewicht: 0,25kg  Abmesungen: T: 91mm B:71mm H:57mm  Low Voltage Directive 2006/95/EC  EMC Directive 2004/108/EC  IEC801,-2, -3,-4, -5, -6, Level 3  Compliance with UL1310 Class2 (2), UL508, UL60950-1, EN60950-1  passend Zubehör wie Hutschiene und Installationsverteiler siehe im Zubehör-Register  

Regulärer Preis: Ab 34,88 €
24V Netzteil 15W 0,63A für DIN Hutschiene PCE-Serie
24V Netzteil 15W 0,63A für DIN Hutschiene PCE-Serie

24V Netzteil direkt auf DIN-Schiene montierbar. Dieses 24V Netzteil verfügen über einen AC/DC-Weitbereichseingang, die Ausgangsspannung ist fein einstellbar, und sie erfüllen die Stand-by-Anforderungen der EuP-Richtlinie. Technische Daten: Ultra schlanke Bauform nur 18,0mm breit wie ein Sicherungsautomat !  Eingang 230VAC typisch ( autom. Weitbereichseingang )  Eingangsspannung 100...240Vac (47-63Hz)  Ausgangssspannung: 24Volt DC stabilisierte Gleichspannung Feineinstellung der Ausgangsspannung über integriertes Poti 23...25V Ausgangsleistung: 15,12Watt Ausgangsstrom: 0-0,63A = max 630mA  Restwelligkeit: 150mV Überspannungsschutz: Output: 27,6-32,4V geschlossene Bauform Isolations Klasse 2 Berührgeschützte Schraubanschlüsse Überlastschutz durch Strombegrenzung, auto recovery Überspannungsschutz   Kurzschlussfest     Lüftkühlung ohne Lüfter 100% Burn-In-Test unter Volllast    eingebauter Entstörfilter    Setup Time: 2000ms bei 230VAC  Rise-Time: 80ms bei 230VAC Hold Up Time: 30ms  bei 230VAC    Wirkungsgrad: 86% Betriebstemperaturbereich: -30... +70 °C Isolationsklasse II / Überspannungs-Kategorie: III Anschluss über Schraubklemmen Abmessungen siehe auch weitere Bilder = Zeichnung  Abmessungen: B: 18,0mm H:58,4mm T: 90mm  Gewicht: 0,078kg Passendes Zubehör wie Hutschiene, Installationsverteiler (siehe im Zubehör-Register)

Regulärer Preis: Ab 8,90 €
24V Netzteil 24V 36W 1,5A für DIN Hutschiene Eingang 85-264Vac HDR-Serie
24V Netzteil 24V 36W 1,5A für DIN Hutschiene Eingang 85-264Vac HDR-Serie

24V Netzteil. Direkt auf DIN-Schiene (Hutschiene) montierbar (Schaltschrank) universell verwendbar  geschlossene Bauform berührgeschützte Schraubanschlüsse Überlastschutz durch Strombegrenzung, auto recovery Überspannungsschutz · kurzschlussfest hoher Wirkungsgrad  LED-Anzeige für Power-On 100 % Burn-In-Test unter Volllast eingebauter Entstörfilter, geringe Restwelligkeit  Technische Daten HDR30-Serie:   Eingangsspannung 230VAC typisch Autom. Weitbereichseingang 85...264Vac oder 120...370Vdc  Now load power consumtion < 0,3Watt Integrierte LED Status Anzeige Anschluss über Schraubklemmen Ausgangsspannung: 24Volt DC  ( Gleichspannung) stabilisiert Feineinstellung über integr. Poti 21,6...29,0V Belastbarkeit-Leistung: 36-Watt  Ausgangsstrom: 0....1,5A Restwelligkeit: 150mV Spannungstoleranz: +/-1% Überspannungsschutz Ausgang : 30-36V DC Wirkungsgrad: 89%.  Überspannungsschutz: 105...160% Setup-Time: 500ms bei 230VAC Rise-Time: 50ms bei 230VAC Holdup-Time: 30ms bei 230VAC Betriebstemperaturbereich: - 30 ... + 70 °C Abmesungen siehe auch Zeichnung weitere Bilder Abm.: B:35mm H1:45mm für 45mm Schalttafelausbruch            H2: 63,35mm / H3: 90mm ) Gesamthöhe Klemme zu unten = H:58,4mm  Isolationsklasse II / Überspannungs-Kategorie: III  Vibrationsfest : 2G 10min ( 10-500Hz ) Sicherheitsstandards: UL62368-1, UL508, TUV BS EN/EN61558-2-16,       BS EN/EN61558-1,IEC62368-1, EAC TP TC 004, BSMI CNS14336-1 approved;       Design refer to TUV BS EN/EN62368- Gewicht: 0,12kg /

Regulärer Preis: Ab 14,50 €
Produktgalerie überspringen

Zubehör

Rabatt
Hutschiene DIN-Schiene gelocht 500mm B 35mm
Hutschiene DIN-Schiene gelocht 500mm B 35mm

Hutschiene Trageschiene DIN-Schiene Montageschiene Eine der üblichste Montageschiene in Schaltschränken gelochte Ausführung verzinkt  Trageschiene gelocht 35mm breit (unten 21mm x 7,5mm Höhe ) Tragschiene DIN EN50022 / EN 60715 / EN 50022  Material verzinkt, sendzimirverzinkt Lochung: Ja = gelocht ( 5,2x18mm / 6,2x15mm ) Werkstoff Stahl Materialstärke 1mm    Länge: 500mm Breite: 35mm (oben) Breite: 21mm (unten) Bauhöhe 7,5mm 

Verkaufspreis: 2,95 € Regulärer Preis: 3,95 € (25.32% gespart)